产品中心   Product
联系我们   Contact

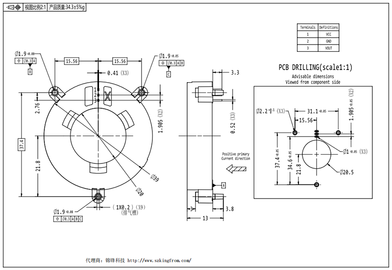
QFO20HCA00TF3S1BR-3系列森尼克电流传感器 5V 单电源 工业和汽车应用领域 脚距 1.91mm

更新:2025/12/20 13:44:27      点击:
  • 品牌:
  • 型号:
  • 在线订购 下载规格书
产品介绍

QFO20HCA00TF3S1BR-3系列电流传感器为工业和汽车应用领域内AC,DC的电流检测提供了可靠,性价比更高的解决方案。 并为原边和副边提供了有效隔离,同样外壳可以提供从±400A到±1000A多种不同电流测量规格。


优势特征:

⚫ 应用hall感应原理的开环型电流传感器

⚫ 单电源3.3V供电

⚫ 原边测量电流范围±1000A

⚫ 传感器工作温度范围:-40 °C to +125°C

良好的精度、线性度以及温漂

输出电压:

-BR:零电流偏置VQVO=VCC/2,增益Gain固定不随VCC变化

适用于汽车行业的高精度传感器

⚫ 响应时间:4us


产品应用:

⚫ EV/HEV电机控制器

变频器、逆变器控制

⚫ 功率电源和DC-DC变换器控制


工作原理:

开环电流传感器利用安培定律(一根通电直导线周边产生的磁场与导线中的电流成比例),利用 hall 器件的特性,通过检测原边电流产生的磁场强度 B 的大小,从而检测出导线中的电流大小。在磁滞的线性区间内,B I 的比例关系为:

B(IP)= K * IP (K 为常数)

Hall 电压可以表示为:

VH=(RH/d) * I * K * IP

除了 IP 是变化量,其余都是常量,由此:

VH=K1 * IP(K1 为常数)

特定的Hall芯片通过放大VH从而得到电压来推算出原边电流。

 

我司是森尼克正式授权代理商,可以提供技术支持,需要技术资料与样品可以向我司业务人员索取(13923795851孙生-微信同号);


更多产品
联系我们

地址:深圳市龙华区清龙路227号宏奕大厦B座1202

联系电话:0755-29553889

手机:13923795851(微信同号)

网址:http://jf-chip.com

电子邮件:sales@szkingfrom.com

微信公众号

扫码咨询

官方视频号

官方视频号

© 深圳市锦锋科技有限公司 版权所有    粤ICP备13035890号-4    Built By Welson 深圳市锦锋科技有限公司技术部 RSS
百度统计